面包板是一种无需焊接就能在较短时间内轻松构建电子项目的好方法。电子领域的初学者都会遇到一个问题,那就是他们无法将印刷电路板上的元件焊接整齐。一个坏的焊点就可能导致项目无法工作。当项目无法运行时,他们最终会失去信心,不再继续制作项目。在尝试另一个项目之前,他们必须三思而后行。他们面临的另一个问题是,如果他们尝试焊接和制作一个项目,但由于焊接不佳或从书本或杂志上摘录的电路缺乏说明或错误而无法工作。现在,在花费了大量时间制作之后,他们不得不面对的是失望。
本说明介绍了可以在标准尺寸的面包板上轻松制作的十个项目,从而解决了业余爱好者的难题。每个项目后面都附有原理图、面包板布局、完整的说明、零件清单和难度级别。难度随着制作项目的增加而增加。在制作项目之前,会对面包板和电子元件进行说明,让初学者有一个全面的了解。所有项目在添加之前都经过测试,而且都能正常工作。
有时候,除了 arduino 和微控制器之外,还能做一些其他的东西,探索数字和模拟电路的世界,感觉很不错。所有项目都不使用任何微控制器,因此不可编程。这些零件很容易获得,而且价格便宜。所有电路都选自互联网、书籍和杂志,但大多数项目都来自《Talking Electronics》(特别感谢 Colin Mitchell 提供的项目)。所有原理图和面包板布局都是使用 Fritzing 库制作的。这些项目可以进行修改,以不同和更好的方式使用,并用于其他应用。
更新:原理图和面包板布局已经更正。
以下是按正确顺序排列的所有项目清单:
- 音乐钟
- 红外遥控测试仪
- 静电检测器
- 定时炸弹
- 渐变的 LED
- 光激活 LED
- 暗激活 LED
- LED 调光器
- 单芯片电子骰子
- 手动计数器
下面是所有项目工作的视频!
更新 2:添加了项目 1- 音乐钟的视频。其他项目将很快添加。
更新 3:添加了项目 2- 红外遥控测试仪的视频:
想了解更多与科技相关的项目、视频和知识,请关注我的博客--SirKit Studio。
也请订阅我的 YouTube 频道:
__________
更新:
要在这么多的教学资料上回复每一条评论并不容易,所以如果您有任何帮助/讨论/疑问,可以给我发邮件。我的电子邮件地址是: agarwalsanyam946@gmail.com
我的 Facebook 页面:与 SA 一起制作
从 GearBest 以合理的价格购买最好的零件。
看看他们的一些产品:
步骤 1:更新:5 个适合初学者的面包板项目
发布于 9 月 6 日:让我们一起制作!5 个适合初学者的面包板项目
在浏览量突破 30 万次、收到大量积极反馈以及很多人建议发布更多此类项目之后,我决定再发布一篇关于 "面包板初学者项目 "的说明。这篇教程沿用了相同的理念,只是项目数量从 10 个增加到了 5 个。要从简单的电路中挑选出最好的是一件非常麻烦的事情,而且由于时间不够,我只发布了 5 个项目。
介绍了以下项目
______________________________
以下是所有项目的运行视频:
步骤 2:零件和工具
这里列出了所需的所有部件。如果您不想尝试所有项目,可以去掉其中一些。所有零件的总费用约为 5 美元或 300 印度卢比,具体费用因购买零件的商店或网站而异。
您可以在线购买这款超棒的面包板套件:MB - 102 无焊面包板套件
电阻器不能单独在网上购买。因此,您可以购买这款电阻器套装,其中包含此处使用的所有电阻值:50 个值 1/4W 金属 1%薄膜电阻器 电阻器配件包 1000PCS
同样,这个电容器包也是如此:适用于 Arduino 的初学者配件 1/4W 电阻器和电容器套件
零件:
1) 集成电路:
- 1x UM66
- 1x 555 定时器
- 1x 4026
- 1x 4060
2) 晶体管:
- 3x BC547 或 2n2222 或 2n3904
- 1x bc557
3) 电阻器:50 值 1/4W 金属 1%薄膜电阻器 电阻器配件包 1000PCS
- 1x 220 欧姆
- 1x 33K
- 1x 47K
- 2x 1M
- 1x 100K
- 1x 4.7K
- 1x 680 欧姆
- 1x 470 欧姆
- 1x 2.2K
- 2x 1K
4) 电容器:用于 Arduino 的初学者零件 1/4W 电阻器和电容器套件
- 2x 10uf(电解)
- 1x 100uf(电解)
- 1x 100nf(非电解)
- 1x 10nf(非电解)
- 2x 1nf(非电解)
5) 杂项:
- 2 节 1.5 伏 AA 或 AAA 电池(购买链接)
- 1x 电池座(购买链接)
- 1x 9v 电池
- 1x 9 伏电池座(购买链接)
- 1x 拨动式开关
- 1x 8 欧姆扬声器
- 1x 红外接收器 (TSOP) (购买链接)
- 6 个 LED(购买链接)
- 1x LDR
- 2 个 1n4148 或 1n4001 二极管
- 1x 50K 或 47K 电位器
- 1x 瞬时按钮
- 1x 7 段显示屏
- 1x 面包板(购买链接)
- 连接线或跳线 (购买链接)
工具:
- 电线切割器/剥线器(购买链接)
- 钳子(购买链接)
- 面包板电源(购买链接)
步骤 3:了解面包板
面包板是构建电子项目和电子原型的基础。对于初学者来说,它是一个很好的选择,无需焊接元件即可轻松创建临时项目。它是构建临时项目的好方法,因为几乎所有元件都能轻松放入孔中(不包括引线较粗的元件)。几乎所有元件都可以轻松插拔,因此几乎可以轻松构建所有电子项目。面包板主要有两种类型的排线--总线排线或水平排线和垂直排线。
总线排或水平排用于将电源或电池连接到面包板。面包板上共有四条总线,最上部有两条,下部有两条。在 840 个点的面包板中,每一行都有一个分隔器,当一行的一半被完全隔开时,就会出现一个分隔器。总线排也称为面包板的电源轨。
垂直行是另一种类型的行,大部分电子元件都连接在这里。面包板中间有一个很大的空隙,垂直行之间的连接被打断。这里主要放置集成电路 (ics)。由于这里的连接断开了,所以每个垂直行都连接到集成电路各自的引脚上,并在这些引脚上添加元件。在需要电源的地方,垂直行会连接到总线行。
面包板有各种形状和尺寸,可满足项目的需要。它们还带有凹槽,可通过凹槽相互连接,以制作更大的面包板。在面包板上进行连接时,要使用一种称为 "连接线 "或 "跳线 "的特殊导线。使用其他类型的导线可能会损坏面包板。
查看 amandaghassaei 的 How to:面包板指南,了解有关面包板的更多详情。
步骤 4:了解电子元件
在开始制作项目之前,你应该了解每个项目的功能,知道自己到底在做什么。为此,你需要了解电路中使用的重要电子元件。因此,这里简要介绍了项目中使用的所有电子元件。项目中没有用到的和过于复杂难以理解的电子元件我都没有介绍。
查看 randofo 的《基础电子学》指南,它几乎能教会你所有关于基础电子学的知识。
(1) 电阻器:
电阻器是一种通过阻碍电流流动来降低电路中电流的装置。因此,如果将 LED 直接连接到 3 伏电池,然后再串联一个电阻。第二种情况下的亮度会比第一种低,因为第二种情况下的电阻不会让太多的电流通过,从而降低了亮度。电阻的单位是欧姆、千欧姆和兆欧姆。
(2) 电容器:
电容器是一种在供电时将电储存在内部,而在电路中亏电时则将电输出的装置。它就像充电电池,但两者之间有很大区别。电容器可以储存少量电流,并可以立即充电,而电池可以储存大量电流,但需要一段时间才能充电。电容器有多种类型,但常见的有电解(极化)和非电解(非极化)两种。电容的单位有皮科法拉、纳米法拉和微法拉。
(3) 晶体管:
晶体管是一种能将施加在其基极引脚上的小电流放大,从而在集电极和发射极引脚之间产生大电流的器件。它并不产生大电流,而是起到开关的作用,当基极引脚上有小电流时,开关闭合(接通)。晶体管有 NPN 和 PNP 两种类型。
(4) 集成电路(IC):
集成电路是一种为特定任务而制造的小型封装。它有一个微型内置电路,内部有许多元件,可以执行特定任务。例如,555 ic 用于定时电路,LM386 用于放大音频信号。它通常是一个黑色的小芯片,上面有引脚。芯片有 3 引脚的,也有 32 引脚的,甚至更多。
(5) 二极管:
二极管是一种只允许电流单向流动的器件。因此,二极管具有极性,必须正确连接才能正常工作。它用于防止电流反向流动。
(6) 发光二极管(LED):
发光二极管是一种特殊的二极管,电流通过时可以发光。与二极管一样,发光二极管也只允许电流单向流动,因此要使其工作,必须在电路中正确连接。如今,LED 比灯泡更受欢迎,因为它们比灯泡和节能灯耗电更少。它们有不同的形状、尺寸和颜色,但由于节能,其成本也高得多。
(7) 电位器:
电位计或可变电阻器是一种允许我们选择电路中可能需要的不同电阻的装置。它有一个旋钮,可以调节以产生特定的电阻。
(8) 光敏电阻 (LDR):
LDR 是一种特殊的电阻器,它的电阻会根据落在其上的光照强度而改变。当光线较暗时,LDR 的电阻会增大;当光线较强时,LDR 的电阻会减小。
(9) 红外线接收器(IR 接收器):
红外接收器是一种接收红外光并根据接收到的信号进行输出的设备。它能解码并显示接收到的信号类型。它存在于所有使用红外遥控器控制的设备中。
(10) 七段式显示屏:
七段显示器是一种用于显示数字和字母的设备。它通常有一连串的七个发光二极管,按一定的奇数排列成一个 8。它还有一个额外的 LED 用来显示小数点。
步骤 5:制作永久电源
在每个项目中,你都必须面对一个问题,那就是使用什么电源?在本教程中,提到的所有项目都是低功率项目,不会耗费太多电力。这里没有使用大功率电子元件和电机,因此使用 9 伏电池作为电源是最理想的。第一个项目是一个音乐钟,使用的是 um66 IC,它的供电电压不能超过 4.5 伏。因此,在该项目中,你需要用两节 1.5 伏电池代替 9 伏电池。其他所有项目都可以使用 9 伏电池安全供电。可调电源也是为项目供电的不错选择。
现在,如上图所示,在面包板上连接一个开关。将两小段连接线连接到 9 伏电池夹和 3 伏电池座上。现在不要连接电池或电源,因为我们稍后会看到。
步骤 6:制作简单的 LED 电路
在开始尝试项目之前,有必要先制作这个简单的电路,它只涉及一个带电阻的 LED。这只适用于从未做过任何东西的绝对初学者,如果您以前使用过面包板,则可以跳过。
将引线的负极连接到面包板的负电源轨。现在将一个 470 欧姆的电阻连接到正电源轨,电阻的另一端连接到 LED 的正极。由于 9 伏电池提供的电流高于发光二极管所需的电流,因此在此处添加电阻是为了防止发光二极管烧毁。通过电池夹将 9 伏电池连接到电源轨。现在接通电路,这将使电路闭合(接通),电流将从正极流向负极,从而点亮发光二极管。然后关闭电源,此时发光二极管将停止发光,因为电路已经断开。由于电路断开,电流不会流动,因此不会发光。
注:使用 1K 电阻器而不是 220 欧姆的电阻器,效果会更好。使用 220 欧姆的电阻器会损坏电阻器和 LED。
步骤 7:项目 1:音乐钟
说明这是一个简单的项目,五分钟内即可轻松完成。它是一个音乐铃,能像门铃一样发出悠扬的声音。它使用俗称旋律芯片的 um66 芯片,该芯片内置振荡器和放大器,可直接驱动蜂鸣器,但需要外部电路来驱动扬声器。该芯片的电源电压为 1.5 - 4.5 伏,因此不能使用 9 伏电池供电。
说明按照上面给出的布局将所有部件连接到面包板上。有关晶体管和 ic 的引脚配置,请参阅上面的图片。将装有 2 节 AA 或 AAA 电池的电池座连接到面包板的电源轨上。请勿连接 9v 电池,否则会烧毁芯片。接通电源后,会听到音乐声。
难度: 容易简单
零件清单:
- 1x UM66 ic
- 1x bc547 或 2n2222 或 2n3904 晶体管
- 1x 1K 电阻器
- 1x 8 欧姆扬声器
- 2 节 AA 或 AAA 电池
- 1x 电池座
相关项目:查看 buildcircuit 基于红外线的音乐发射器和接收器,它使用相同的电路,但可以通过红外发光二极管和光电二极管发射和接收音乐。
下面是一个步骤视频:
步骤 8:项目 2:红外遥控测试仪
说明这是另一个学习红外光的简单项目。它是一个红外遥控测试仪,可用于测试红外遥控是否正常工作。红外遥控器基本上是电视或音乐播放器的遥控器。电路利用红外接收器,当接收到红外光时,接收器会发出高低反复的输出。电视遥控器前面有一个红外发光二极管,用于发射信号,因此如果发光二极管工作,接收器接收到信号,就说明遥控器在工作。由于红外光的波长比我们的眼睛所能看到的波长要高,所以我们无法看到它,但可以通过摄像头清楚地看到它。电路经过改装后,如果按下遥控器上的按钮,LED 灯就会发光,表明遥控器正在工作。
说明按照上面给出的布局连接所有元件。元件引脚标识请参考上图。将 9 伏电池连接到电源轨并打开。现在将红外遥控器靠近它并按下任何按钮。指示灯会发光,表明遥控器正在工作。
注意:使用 6 伏电池而不是 9 伏电池,因为 TSOP 只能承受 6 伏以下的电压。给它更高的电压可能会损坏它,但它仍然可以工作。此外,使用 470 欧姆而不是 220 欧姆连接 LED,效果会更好。
难度: 容易简单
零件清单:
- 1x 红外接收器(TSOP)
- 1x bc557 晶体管
- 1x 10uf 电容器
- 1x 1K 电阻器
- 1x 220 欧姆电阻
- 1x LED
相关项目:查看 ynze 的遥控电路:按下电视遥控器上的按钮,比比贝/振动机器人就会移动。电路略有不同,但使用的原理与上述电路相同。
下面是一个步骤视频:
步骤 9:项目 3:静电检测器
说明您可能读过静电是一种电荷处于静止状态的电。静电几乎无处不在。因此,这个项目可以检测我们周围是否存在静电。如果你用它接触任何东西,LED 灯就会发光,表明存在静电。电路非常灵敏,即使将手放在天线附近而不接触,它也能检测到。
说明按布局图所示连接所有元件。请查看上图了解 bc547 的引脚布局。从第三个晶体管的基极抽出一根导线,作为检测电荷的天线。完成所有步骤后,打开电源并将手靠近天线。指示灯会发出微弱的光。现在用手指触摸天线。这一次,发光二极管会发出亮光。
注:使用 470 欧姆而不是 220 欧姆连接 LED,效果会更好。
难度: 容易简单
零件清单:
- 3 个 bc547 或 2n2222 或 2n3904 晶体管
- 1x 220 欧姆电阻
- 1x 100K 电阻器
- 1x 1M 电阻器
- 1x LED
相关项目:看看这个灵敏度极高的电荷探测器,它使用了另一种电路,却能完成同样的工作。
步骤 10:项目 4:定时炸弹
说明本项目使用 555 定时器芯片,这是业余爱好者最常用的定时器芯片。从名称上就可以看出,这个项目会产生类似于定时炸弹的声音。555 定时器采用可控多频振荡器模式,因此能产生方波输出波形,而方波输出只是在高电平和低电平之间切换。电路的频率设定为 1 赫兹,因此每隔 1 秒钟就会产生一次滴答声。电路的频率由电阻值和电路左侧的电容器决定。另一个电容器加在引脚 3 处,以稳定输出,驱动扬声器。移除第 3 脚的电容后,可添加一个 led 来代替扬声器。
说明按照上述布局将所有部件连接到面包板上。将芯片放在面包板上时要小心,确保从正面看,芯片顶部的小半圆应朝左侧。不要改动先前在步骤 4 中制作的电源。接通电源后,您会听到扬声器发出嘀嗒嘀嗒的声音。
难度: 中中等
零件清单:
- 1x 555 小时 ic
- 2 个 10uf 电容器
- 1x 47K 电阻器
- 1x 8 欧姆扬声器
相关项目:查看 taipeihackerspace 的 "定时炸弹包",它可以装在盒子里,用作愚人节恶作剧。
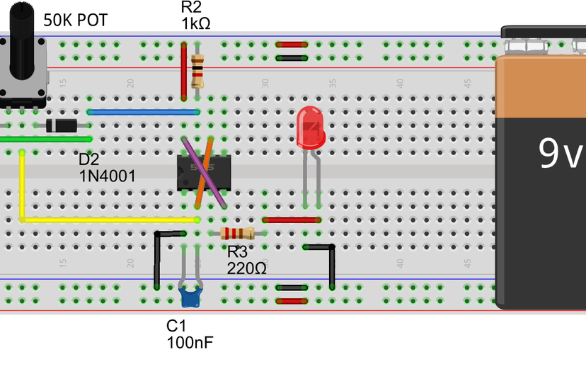
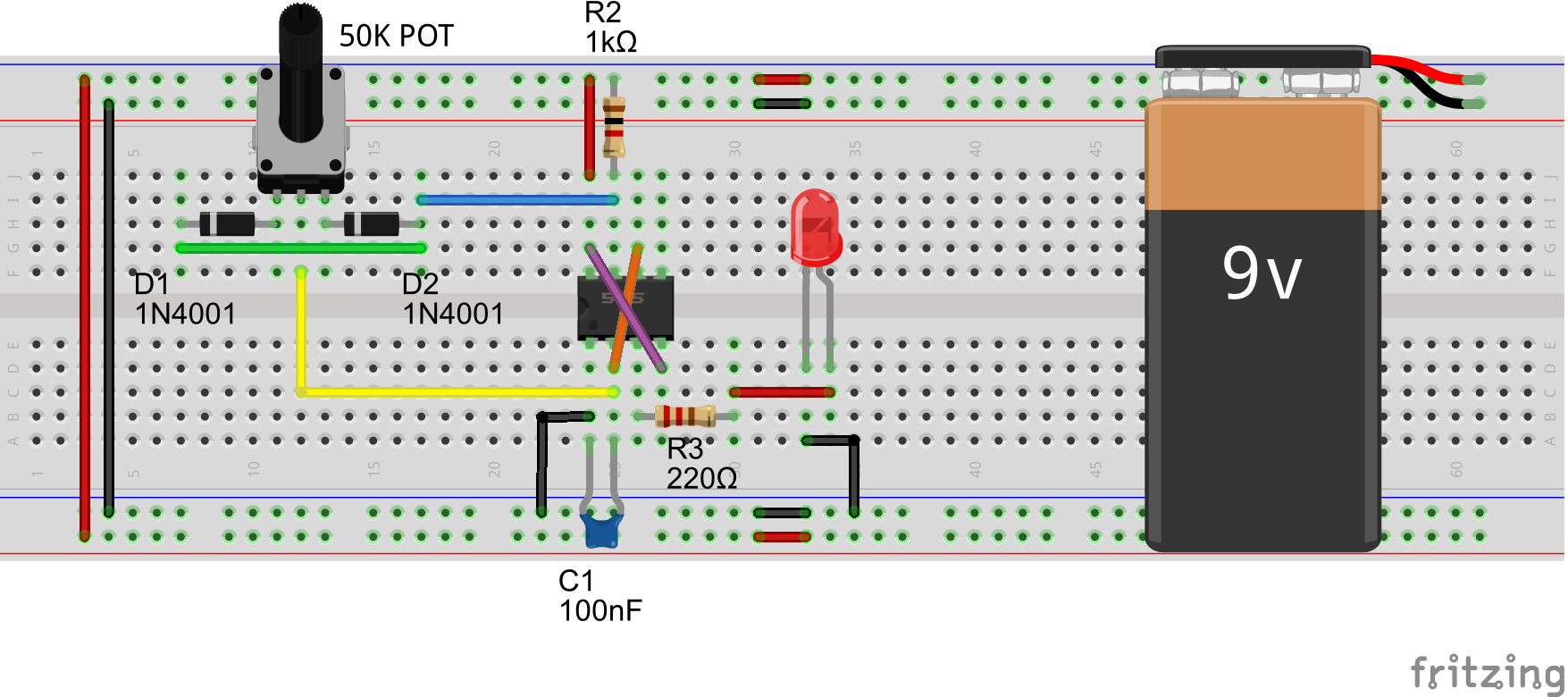
步骤 11:项目 5:渐变 LED
说明顾名思义,这个项目是通过在第 3 引脚上添加电容器来实现高低指示灯的渐变。这是通过在引脚 3 上添加的电容器来实现的,该电容器反复充放电,产生一种消隐效果,比想象的效果更令人愉悦。
说明按照上面的布局进行所有连接。接通电路后,led 会先熄灭再亮起,如此反复,直至关闭。您可以尝试不同颜色的发光二极管,以获得更好的效果。
注:使用 470 欧姆而不是 220 欧姆连接 LED,效果会更好。
难度: 中中等
零件清单:
- 1x 555 小时 ic
- 1x bc547 晶体管
- 1x 33K 电阻器
- 1x 220 欧姆电阻
- 1x 100uf 电容器
- 1x LED
相关项目:查看 soraj619 的 USB Fading Star,它使用了相同的电路,但 LED 灯的接线方式是上下渐变的星形。
步骤 12:项目 6:光激活 LED
说明如前所述,ldr 是一种能根据照射光线的强弱而产生一定电阻的器件。因此,该电路利用 ldr 在光照较强时打开 LED。当光照较强时,ldr 的电阻较低,因此当光照落在 ldr 上时,555 定时器被触发,输出变为高电平,从而打开 LED。当没有光照时,输出变为低电平。
说明按照上述布局连接所有部件。Ldr 没有极性,因此可以任意连接。现在打开电路,如果周围有足够的光线,发光二极管就会发光。现在进入一个黑暗的房间,LED 会熄灭。将一个发光的手电筒放在发光二极管的正上方,发光二极管会再次发光。
注:使用 470 欧姆而不是 220 欧姆连接 LED,效果会更好。
难度: 中中等
零件清单:
- 1x 555 小时 ic
- 1x 100nf 电容器
- 1x 10nf 电容器
- 1x 10K 电阻器
- 1x 4.7K 电阻器
- 1x 220 欧姆电阻
- 1x LDR
- 1x LED
相关项目:查看 C.V. Hariharan 的基于 555 定时器的寻光机器人,它使用光检测器电路制作了一个追光机器人。该电路还可用作防盗报警器和晨间报警器。
步骤 13:项目 7:暗激活 LED
说明该项目与前一个项目的配置相反。它可以检测黑暗的存在。当 ldr 接收到微弱光线时,555 定时器被触发,输出变为高电平并打开 LED,而当检测到较强光线时,输出变为低电平并关闭 LED。这种电路可用于自动路灯,在天黑时自动打开。
说明:如果您的面包板上仍有之前的项目,请不要更改连接,只需改变 ldr 的连接,即连接至地线 (-),并将 4.7K 电阻器改为 100K。接通电路后,你会发现 LED 最初不会发光。现在将手放在发光二极管上方,遮住光线或进入暗室。此时,由于发光二极管没有接收到光线,所以发光二极管会发光。
注:使用 470 欧姆而不是 220 欧姆连接 LED,效果会更好。
难度: 中中等
零件清单:
- 1x 555 小时 ic
- 1x 10K 电阻器
- 1x 100K 电阻器
- 1x 220 欧姆电阻
- 1x 100nf 电容器
- 1x 10nf 电容器
- 1x LDR
- 1x LED
相关项目:查看 ManishVarma 的自动路灯系统,该系统利用电路在天黑时打开路灯。
步骤 14:项目 8:LED 调光器
说明:这是一个利用电位计改变电阻值来改变发光二极管亮度的项目。该电路有点类似于用于控制电机速度的 PWM(脉宽调制)电路。亮度是通过快速开关 LED 来改变的,开关的速度越快,亮度就越低。该速率由电位器控制,从而改变亮度。
说明按照上面给出的布局连接所有元件。确保以正确的方式连接二极管,因为它们具有极性。接通电路并缓慢转动电位器。您将观察到 LED 的亮度发生变化。
注:使用 470 欧姆而不是 220 欧姆连接 LED,效果会更好。
难度: 中中等
零件清单:
- 1x 555 小时 ic
- 1x 1K 电阻器
- 1x 220 欧姆电阻
- 1x 100n 电容器
- 2 个 1n4001 或 1n4148 二极管
- 1x 50K 或 47K 电位器
- 1x LED
相关项目:查看我的 Desktop Lamp 可指导项目,其中使用了类似的电路来改变阅读灯中 36 颗 LED 的亮度。
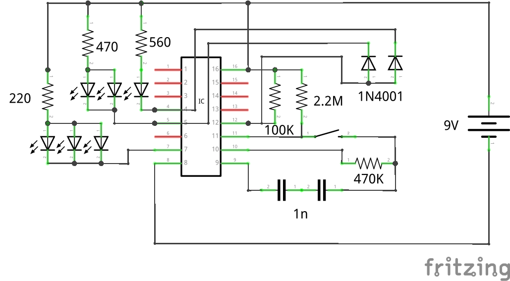
步骤 15:项目 9:单芯片电子骰子
说明你听说过电子骰子吗?如果没有,它就是一个简单的骰子,但你必须按下一个按钮,而不是摇动它。该装置会通过一系列 LED 指示灯告诉你 1 到 6 之间的随机数字。亮起的 LED 灯数量将表示数字。该项目使用一个 4060 计数器,对接收到的时钟脉冲进行计数,并将特定数量的引脚设置为高电平。按下按钮会产生一个快速时钟脉冲,因此无法估算出高电平的引脚数量。这就是骰子成为完全随机数发生器的原因。被设置为高电平的引脚会点亮一系列指示数字的 LED 灯。这个项目的优点在于它不使用任何微控制器,因此不需要编程,从而使其价格便宜。你可能见过的大多数项目都需要 arduino 或其他微控制器。说实话,这是最繁琐、最耗时的项目。
说明按照上面的布局连接所有设备。由于连接点太多,请确保连接正确。打开电路并按下按钮。一定数量的 LED 灯会亮起,显示完全随机的数字。将 LED 像真正的骰子一样按一定顺序连接起来,形成一个矩形,会使项目看起来更漂亮。
难度: 难难
零件清单:
- 1x 4060 ic
- 1x 2.2M 电阻器
- 1x 470K 电阻器
- 1x 100K 电阻器
- 1x 560 欧姆电阻
- 1x 470 欧姆电阻
- 1x 220 欧姆电阻
- 2x 1n 电容器
- 2 个 1n4148 或 1n4001 二极管
- 6 个 LED
- 1x 瞬时按钮
相关项目:查看 xBacon 的 ATtiny85/45/25 LED 骰子,它使用 attiny 85 微控制器而不是集成电路。
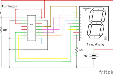
步骤 16:项目 10:手动计数器
描述有时需要对某些事件进行计数,以便对特定事件进行记录。在这种情况下,电子计数器就非常有用。它们有一个小按钮和一个显示屏来显示计数。这是一个较小的版本,只能从 0 数到 9,但可以通过添加更多的 LED 来增加计数。它使用一个 4026 IC,该 IC 是一个 7 段显示驱动器和计数器。它对接收到的时钟脉冲进行计数,并在 7 段显示器上显示。这里添加了一个按钮,每当按下该按钮,就会向芯片发送一个时钟脉冲。芯片对其进行计数,并将一位数字向前推进一位。为了增加位数,应将第一个芯片的引脚 5 连接到第二个芯片的引脚 1。第二个芯片的连接应与第一个芯片相同。当第一个芯片完成从 0 到 9 的计数时,它会通过引脚 5 向第二个芯片发送另一个时钟脉冲,将十位数字向前推进一位。同样,也可以增加百位和千位。这类计数器曾用于体育赛事和工厂中,但随着技术的发展,这类计数器的使用几乎已经终结。但我们并不否认它们的重要性,它们有时也非常有用,因为它们可以做成袖珍型,非常方便。
说明按照上图所示的面包板布局连接所有部件。确保正确连接七段显示器,因为只要接错一个引脚,就会显示出你从未见过的数字。连接好一切后,打开电源。现在按下按钮,数字将前进一位。同样重复这个过程,直到数到 9。这次按下按钮后,计数器将复位,显示屏上再次显示 0。如果显示无法正常计数,可在开关的两个端子之间并联一个 47nf 的电容器或两个 22nf 的电容器。
难度: 难难
零件清单:
- 1x 4026 ic
- 1x 10K 电阻器
- 1x 220 欧姆电阻
- 1x 7 段显示屏
- 1x 瞬时按钮
相关项目:看看 mischka 的 "极客降临日历",它使用两个 ic 制作了一个两位数计数器,每天按一次按钮就可以作为日历使用。
步骤 17:结束
所以,你学到了很多!"!
教学到此结束。希望你们喜欢。我不知道大家对这篇说明的反应如何。我向你保证,如果效果好的话,我会再做一个相关的教程。如果您觉得不错,请点击 "收藏 "按钮,如果您制作了图片,也请贴出来。如果您有任何疑问,请不要忘记评论或提问。
感谢观看 :)
from: https://www.instructables.com/Ten-Breadboard-Projects-For-Beginners/















































